| Availability: | |
|---|---|
FCST-TH-SMC03
FCST
FCST-TH-SMC03
Product Overview
FCST-TH-SMC03 Telecom Manhole Chamber is meticulously engineered to offer comprehensive protection, storage, equipment installation, and maintenance solutions for the underground placement of optical fiber splice boxes and cable products. This product boasts not only high stability, an extended service life, and exceptional pressure resistance, but also facilitates easy Description assembly.
Excellent corrosion and weather resistance.
Good electrical insulation and flame retardancy.
Depth can be stacked according to requirements.
Lightweight design using SMC composite materials.
Complies with EN124 Standard .(B125 (12.5T)/C250 (25T)) .
Prefabricated structure reduces on-site construction costs.
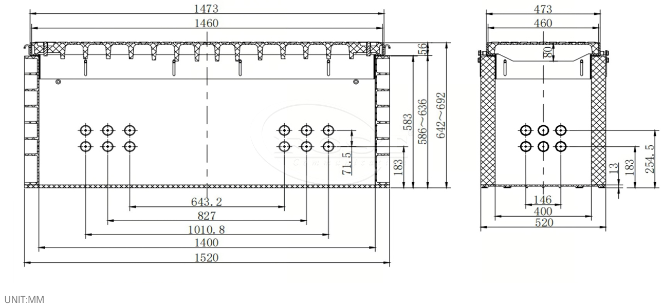
Internal Dimensions: 1400*400*583mm(55.119"x15.749"x22.953") .
Transverse and vertical cross stiffeners are arranged around the outer side of the shaft, also be closely combined with the rammed soil layer. It is not easy to move and loosen after rolling.
Product Specifications
| Construction | Description |
| Executive Standard | EN124 |
| Material | SMC |
| Manhole Cover Load Grade | B125(12.5T) |C250(25T) |
| Length | 1400.00mm | 55.119in |
| Width | 400.00mm | 15.749in |
| Depth | 583.00mm | 22.953in |
| Weight | 118kg(1 Layer) |
| Flame Retardant Grade | V0 |
| Environmental Requirements LOGO | Meet ROHS Available |
| Working Temperature | -40°C~+65°C |
| Storage Temperature | -40°C~+70°C |
| Service Life | 30 years |
Product Size
| External Size(L*W*D) | Internal Dimensions(L*W*D) | Manhole Cover Load Grade |
| 1520*520*642mm (59.843"x20.473"x25.276") | 1400*400*583mm (55.119"x15.749"x22.953") | B125(12.5T)/C250(25T)/D400(40T) |
Product Application
Note:The practical application of this Composite Manhole Chamber, covering many fields such as municipal administration, electric power,electricity, water , road administration,and drainage.
On each side of the product. The size of the drill hole can be adjusted at the construction site according to the actual size of the HDPE Silicon Pipe/HDPE Micro-duct.
Product Overview
FCST-TH-SMC03 Telecom Manhole Chamber is meticulously engineered to offer comprehensive protection, storage, equipment installation, and maintenance solutions for the underground placement of optical fiber splice boxes and cable products. This product boasts not only high stability, an extended service life, and exceptional pressure resistance, but also facilitates easy Description assembly.
Excellent corrosion and weather resistance.
Good electrical insulation and flame retardancy.
Depth can be stacked according to requirements.
Lightweight design using SMC composite materials.
Complies with EN124 Standard .(B125 (12.5T)/C250 (25T)) .
Prefabricated structure reduces on-site construction costs.
Internal Dimensions: 1400*400*583mm(55.119"x15.749"x22.953") .
Transverse and vertical cross stiffeners are arranged around the outer side of the shaft, also be closely combined with the rammed soil layer. It is not easy to move and loosen after rolling.
Product Specifications
| Construction | Description |
| Executive Standard | EN124 |
| Material | SMC |
| Manhole Cover Load Grade | B125(12.5T) |C250(25T) |
| Length | 1400.00mm | 55.119in |
| Width | 400.00mm | 15.749in |
| Depth | 583.00mm | 22.953in |
| Weight | 118kg(1 Layer) |
| Flame Retardant Grade | V0 |
| Environmental Requirements LOGO | Meet ROHS Available |
| Working Temperature | -40°C~+65°C |
| Storage Temperature | -40°C~+70°C |
| Service Life | 30 years |
Product Size
| External Size(L*W*D) | Internal Dimensions(L*W*D) | Manhole Cover Load Grade |
| 1520*520*642mm (59.843"x20.473"x25.276") | 1400*400*583mm (55.119"x15.749"x22.953") | B125(12.5T)/C250(25T)/D400(40T) |
Product Application
Note:The practical application of this Composite Manhole Chamber, covering many fields such as municipal administration, electric power,electricity, water , road administration,and drainage.
On each side of the product. The size of the drill hole can be adjusted at the construction site according to the actual size of the HDPE Silicon Pipe/HDPE Micro-duct.